• Home
  • Contact Us
  • News
  • Links
Smoky Pond Image Gallery
Login
Gallery 2002 Monaco Cayman 34PBD Misc. Items Hydromax wiring diagram
Advanced Search
RSS Feed for this Photo View Slideshow View Slideshow (Fullscreen)

Misc. Items

1. 20171129_21... ... 16. KoniShocks 17. 31318C39-C2... 18. Fuses_Monaco 4 19. Fuse Panel ... 20. Hydromax... 21. KoniShocks2 22. 2005brakes

Random Image

sandhill_crane_04.jpg

sandhill_crane_04.jpg

Date: 04/15/07 Views: 2812

RSS Feeds

1930 Ford Model AA

List all RSS Feeds

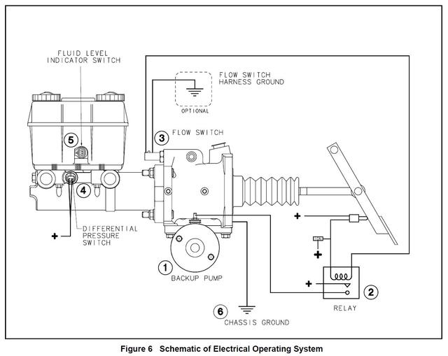
Hydromax wiring diagram

Hydromax simplified wiring diagram

Date: 02/16/19
Size:
Full size: 1350x1073
nextlast
first previous
Hydromax wiring diagram
 
 

Photo Properties

summary details
Date/Time Fri 15 Feb 2019 08:09:37 PM UTC
nextlast
first previous
Powered by Gallery v2.2