• Home
  • Contact Us
  • News
  • Links
Smoky Pond Image Gallery
Login
Gallery Antique Electronics Bendix Navigator 420 BFO Schematic?
Advanced Search
RSS Feed for this Photo View Slideshow View Slideshow (Fullscreen)

Bendix Navigator 420

1. ABA69C53-E4... ... 7. F5513D2E-F7... 8. FE49464F-29... 9. BFO Added 10. BFO Circuitry 11. BFO... 12. BFO... 13. BFO Schematic?

Random Image

IMG_0206rcc

IMG_0206rcc

Date: 09/05/11 Views: 5528

RSS Feeds

1930 Ford Model AA

List all RSS Feeds

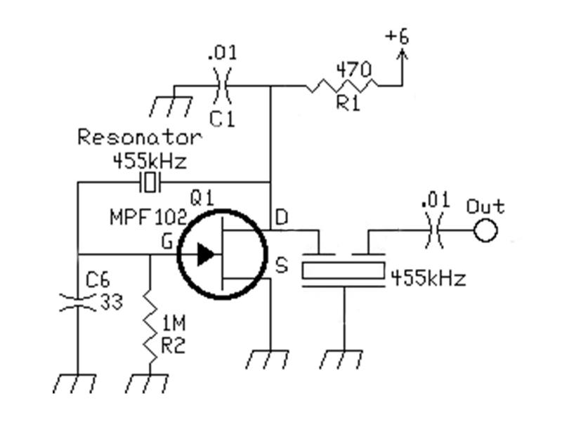
BFO Schematic?

I think the BFO circuit looks something like this (injection level pot on output not shown). I really don't remember exactly since I added it to the radio nearly 40 years ago!

Date: 01/30/18
Size:
Full size: 1024x778
first previous
BFO Schematic?
 
 

Photo Properties

summary details
Color Space sRGB Date/Time Mon 29 Jan 2018 09:07:04 PM UTC
first previous
Powered by Gallery v2.2